LFD01
5出力を独立調光するLED調光器(マスターVR付き) Type LFD01
         
●  LFD01の概要
5出力に対応するボリュームで個別に0〜100%の
調光制御をおこないます。
マスターボリュームにて全体を0〜100%の範囲で
一括調光することが可能です。
調光の階調は最大で65536階調であり、滑らかな
制御が可能です。
ボリューム回転とLEDの見た目の明るさを比例させる
ための補正を行っており、より自然な調光制御と
なっております。
電源電圧範囲は DC7V 24V で各出力は最大
3
Aまで駆動できます。


   詳細は取扱説明書をご覧下さい。


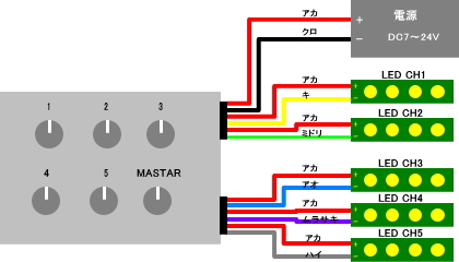
● 基本接続
   出力1〜5のボリュームで各LEDを個別に調光する。
   マスターボリュームで全体を一括調光する。
● RGB LEDの接続
   R・G・Bに割り当てたボリュームでRGB LEDの調色をおこなう。
   マスターボリュームで明るさ調整をおこなう。




● 特注品の対応
   お客様の用途の合わせた特殊仕様品の設計・製作を承ります。
   こちらへメールにてお問い合わせ下さい。
   <特注仕様の例>
    ・ フェードイン/アウト動作
    ・ 外部スイッチによる制御
● 評価用デモ機貸し出しのご案内
評価用デモ機の貸し出しを行っております。貸出期間は10日間程度です。また返送の手配と費用は
お客様のご負担でお願いいたします。こちらからメールでお申し込み下さい。なお、貸し出しは法人の
お客様に限らせて頂きますのでご了承下さい。
● 仕様 Type LFD01 
項目 仕様
電源電圧 DC7〜24V
出力数 5
出力電流 各出力 3A(max) 、 合計 15A(max)
調光方式 PWM方式(PWM周波数は約500Hz)
調光制御 調光ボリュームにて各出力を個別に0〜100%の範囲で調整可能。
一括調光制御  マスターボリュームにて全出力を一括で0〜100%の範囲で調整可能。
保護回路 いずれかの出力に約20A以上の電流が流れると出力をOFFにしLEDが点滅する。
消費電流
(制御回路が消費する電流)
20mA(max)
使用温度範囲 0〜40℃
外形寸法 (約) W 110 , H50 , D120  (mm)  
質量 (約) 360g
Type LMD01

価格(税込)
 28,600円

送料は下記
<商品の構成>
本体     1台
取扱説明書 1部
送料 送料は返信メールで
ご案内いたします。
宅配便で発送します。
税込11,000円以上のお買いあげで送料は無料
となります。
ご注文方法 ご注文の型式(Type)、数量とお客様のお名前、会社名、住所を明記の
上、メールまたはファックスでご注文ください。折り返し合計金額・
振り込み先・標準納期等を連絡します。

fax 046-273-9231
お支払い方法 原則として前払いでお願いしていますが会社法人や学校関係のお客様
については、お支払い条件について応談させて頂きます。お気軽に
お申し付け下さい。
ご注文 お問い合わせ 通信販売について
m 原因は不明ですが、まれにeメールの不達が確認されています。
申しわけありませんが1日以上経過しても返事がない場合は電話や
ファックス等で連絡して頂きますようお願いいたします。
tel & fax 046-273-9231 フィットデザイン 秦(ハタ)